오토캐드(AutoCAD)에서 도면을 PDF 문서로 인쇄 및 파일 저장하기(plot)
- 제작도구/기타
- 2024. 10. 22.
반응형
오토캐드(AutoCAD)에서 도면을 PDF 문서로 인쇄 및 파일 저장하기(plot)
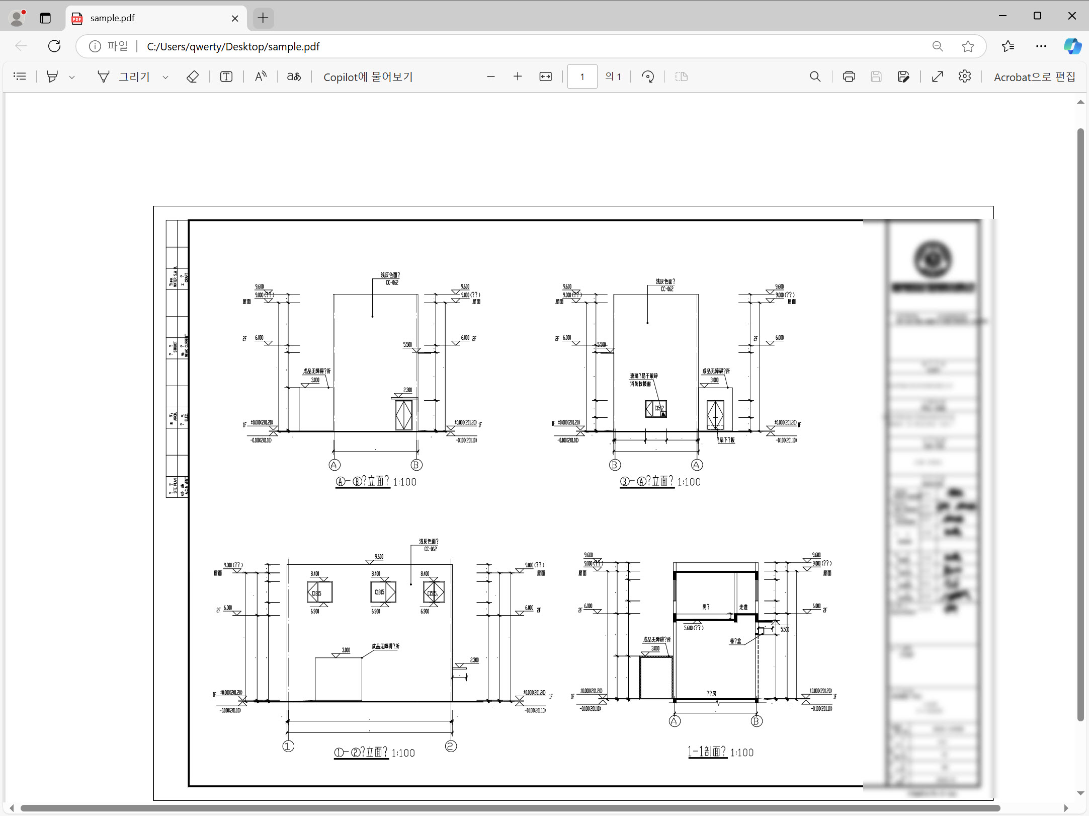
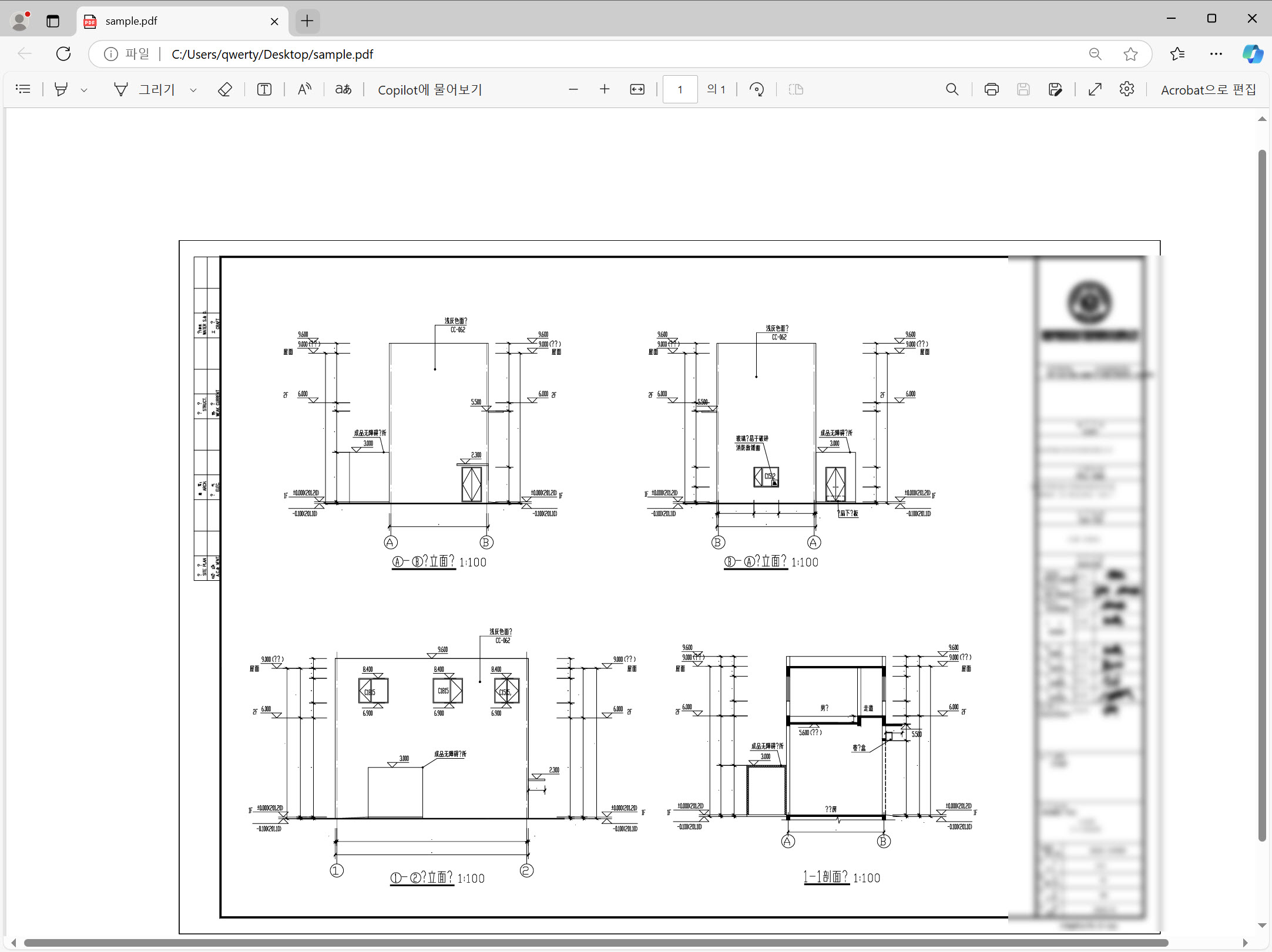
1)오토캐드(AutoCAD)에서 dwg 파일을 열기합니다.

2)단축키 ctrl+p를 입력하여 plot 대화상자를 표시합니다.


3)Printer/plotter에서 DWG To PDF를 선택하고 paper size에서 사이즈를 설정합니다.

4)plot style table에서 스타일을 선택합니다. 흑백 스타일을 사용하려면 monochrome.ctb를 선택합니다.
plot offset에서 center the plot에 체크하고 plot scale을 설정합니다.
drawing orientation에서 portrait 또는 landscape을 선택합니다.

5)apply to layout을 선택하면 현재 plot 설정을 저장하고 해당 레이아웃에 적용합니다.

6)영역 선택을 사용하려면 plot area에서 window를 선택하고 window<를 클릭합니다.

7)클릭하고 드래그하여 클릭하면 영역을 선택합니다.

8)preview를 클릭하면 PDF 미리보기를 표시합니다.


9)좌측 상단의 plot을 클릭하고 pdf 파일 형식으로 저장합니다.



반응형
'제작도구 > 기타' 카테고리의 다른 글
| 드로이드캠(Droidcam) - 스마트폰 카메라를 데스크탑(PC)의 웹캠으로 사용하기 (1) | 2024.11.05 |
|---|---|
| 3D 공간 스캔(Scan) 모바일 어플 목록(3D 모델 및 클라우드 데이터 생성) (4) | 2024.10.23 |
| 오토데스크(Autodesk) 프로그램 설치 오류 Error 103 해결방법 (2) | 2024.10.21 |
| 터치디자이너(TouchDesigner) - 실시간 데이터 시각화 및 인터랙티브 미디어 제작 프로그램 (1) | 2024.10.14 |
| 구라 제거기를 사용하여 PC에 설치된 키보드 보안프로그램 모두 삭제 (0) | 2024.07.30 |